高層直連供暖機組地工作原理
高層建筑或地勢差較大的供暖區域,在集中供熱時,需將供暖系統分為高區和低區;低區可以直接供熱,高區采暖需要通過直連供暖機組來達到理想的供暖效果。
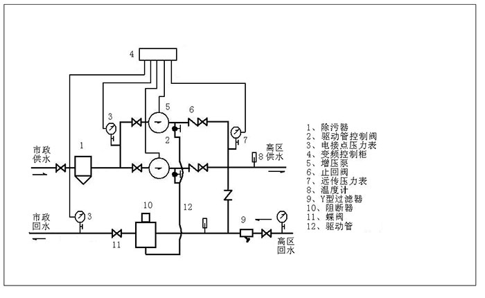
直連供暖機組是將一次網熱源的熱水經過循環泵進行加壓供至高層區域,高區的回水經過機組上的減壓裝置將壓力減至和低區供暖的回水壓力一致,然后回到一次網熱源的回水管中。直連供暖機組的主要運行原理就是將熱水加壓和減壓的過程,新型直連供暖機組解決了停電時水錘現象和高區管網進氣的問題。

阻斷器型直連供暖機組原理圖
高層直連供暖機組又稱為高層供暖穩流穩壓機組,是由微機控制系統、穩壓穩流罐、循環泵、旋流除污器以及管道、儀表、閥門自控系統等等部件組成,是完整地供暖直連機組。用戶只需街上管道與電源即可使用,可單臺或者多臺并連使用,是城市集中供熱區域供熱管網直接連接用戶取暖地立項節能設備。
一:高層直連供暖機組技術地節能效果
1、在采暖、空調、熱水器供應這領域,為進一步節能挖潛,降低成本提供了可行的依據和成功地經驗。
2、采用變頻調速器,不僅控制了溫度指標,特別是節能態這段時間,大大節約了電能,僅能耗額定功率的一半以下。
3、該自動系統,參考了各種客觀因素的變化,運用了人工智能的調節手段,在保證系統指標的情況下能耗為低,解決了由人工調節帶來不可避免的浪費現象。
二:高層直連供暖機組功能:
1、有編程功能、遠程通訊接口??删幊淘O備運轉,能實現局域網控制,即一臺PC機監控多臺直連供暖機組,也可與公眾網連接。(用戶可選)
2、系統具有停電保護,自動切斷一次水源,來電自動啟車功能。
3、根據壓力信號,自動完成壓力溫度控制,無需設置膨脹罐。根據工況要求,可自動實現變負荷采暖、空調、熱水供應和不同時段、節假日節能態設定。
4、依據溫度及壓力信號,自動完成循環泵變頻,可自動實現循環泵變頻自動切換,變頻與工頻自動切換。
5、參考室內外溫實現二次網循環水溫度自動調節,保證供熱要求。
6、實現了整體高層直連供暖機組的全自動控制,無需人員值守。
高層直連供暖機組直接利用低溫熱水供暖,不需設熱交換器隔絕壓力,高低區同一系統統一參數便于運行管理,有利于管網的水力平衡。停電時,為了防止高區高靜壓向低區傳遞,使低區壓力超高造成散熱器破壞,通過阻斷器快速關閉使高區與低區回水相互隔開,保證系統安全可靠運行。整個系統壓力,溫度及其他信號都由PLC控制,智能化運行。
高層直連供暖機組設計簡單,安裝方便,舊建筑高低區并網改造方便快捷,新建筑物,便于規劃管理,節約工程及設備投資。
智能直連供暖機組配備ABB變頻控制、有流量計、觸摸屏顯示、PLC遠傳壓力和溫度、超壓保護、缺水保護、自動PID壓力控制等功能。

控壓阻斷器型直連機組原理圖


減壓閥組型直連供暖機組原理圖
相關信息:
*
高區直聯供采暖機組解決方案
*
高低區直連供熱機組價格多少錢
*
高低區并網直連供暖機組的選型設計參數
*
直連混水機組應用范圍_高低溫并網直連機組應用廣泛